Ningbo Schge Teknologi Co, Ltd
Ningbo Schge Teknologi Co, Ltd
Produk
Zn12-12 Series Integrasi vakum sirkuit vakuum breaker
  • Zn12-12 Series Integrasi vakum sirkuit vakuum breakerZn12-12 Series Integrasi vakum sirkuit vakuum breaker
  • Zn12-12 Series Integrasi vakum sirkuit vakuum breakerZn12-12 Series Integrasi vakum sirkuit vakuum breaker

Zn12-12 Series Integrasi vakum sirkuit vakuum breaker

Model:ZN12-12
SERI AC HV Vacuum Circuit Breaker minangka peralatan njero ruangan telung fase 50Hz, voltase 12kv, sing ngenalake teknologi saka perusahaan Jerman. Cocog kanggo wilayah kanthi macem-macem jinis beban lan operasi sing asring, lan bisa digunakake kanggo nglindhungi lan kontrol perlindungan lan kontrol, penambangan, perusahaan, perusahaan perusahaan lan substation daya lan substation listrik. Produk iki sesuai karo syarat sing gegandhengan GB1984, JB3855, DL403 lan IEC standar.

Zn12-12 Series Integrasi vakum sirkuit vakuum breaker

  Zn12-12 Indoor Circak Tinggi Indoor Tinggi Breaker Tinggi voltase 12KV lan ing ngisor iki, utamane diinstal ing perlindungan landasan perlindungan, tanduran daya lan pertambangan, lan tetep cocog kanggo perlindungan lan operasi sing asring digunakake!

  Breaker sirkuit Micuum vakus Zn12 Series minangka piranti Switchgear ing njero ruangan ing jero ruangan kanthi voltase dirating saka 12kv, 24kV, lan 40.5kv, lan telung fase AC 50Hz. Iki minangka produk domestik sing dikembangake kanthi ngenalake teknologi Saman Siemens 3af. Mekanisme sirkuit breaker minangka jinis panyimpenan energi musim semi, sing bisa ditindakake dening AC utawa DC, utawa kanthi manual. The Circuit Breaker duwe struktur sing gampang, kapasitas sing kuwat, urip layanan lan fungsi operasi lengkap. Lan ora ana bebaya sing jeblugan, lan pangopènan gampang. Cocog kanggo sistem kontrol lan sistem panglindhungi lan sistem pangayoman kayata tanduran tenaga, substasi lan perusahaan industri lan pertambangan, utamane cocog kanggo ngatasi beban sing penting lan papan operasi sing asring. Wangun instalasi pemecahan sirkuit ing Kabinet saklar bisa dadi jinis circuit utawa jinis breaker sing ora bisa dibatalake. Produk breaker AC High ".


Keuntungan:

1. Breacer Circuit ngliwati penilaian Kementerian Menteri lan Kamentrian Listrik ing Agustus 96, tegese kualitas wis dijamin.

Mekanisme breaker sirkuit digabung karo pamindhahan, lan mekanisme aktoritas aktor energi khusus khusus bisa ditindakake dening AC lan DC Energy Storage utawa dioperasikake kanthi manual.

Kanthi struktur sing gampang, kapasitas sing kuwat, urip layanan sing dawa, fungsi operasi sing lengkap, ora ana sistem transmisi sing gampang, landasi ciri, lan sapiturute.


Fitur:

1. Kapasitas kamar pemasaran busur yaiku dhuwur, kapasitas sing saiki nggawa, lan urip listrik dawa.

2 .. Layout saka ngarep menyang mburi, struktur sing gampang lan kompak, operasi lengkap lan gampang pangopènan.

3. Supaya struktur lan instalasi, bisa dipérang dadi: Titik tetep horisontal, jinis tetep cenderung, Tipe pamindhahan tengah.






Info dhasar.



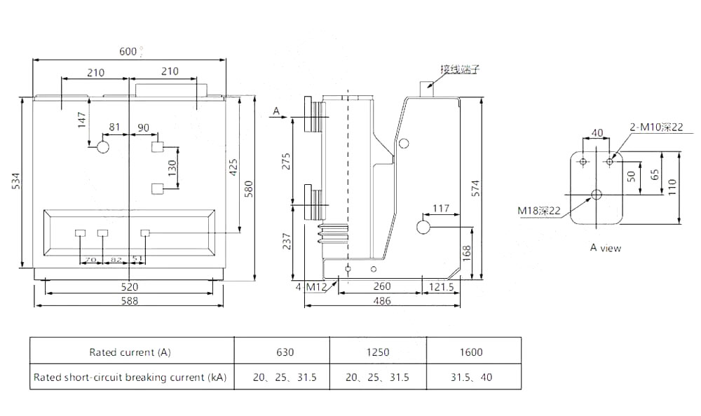
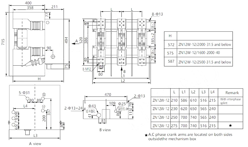
Paramèter teknis



Gambar teknis


Kahanan panggunaan saka kolom ZN12-12 Integrasi sirkuit procuit Breaker1. Altitude: ≤1000 m; (Altitude Prototipe bisa tekan ngisor 4000 meter)

2. Suhu sekitar: paling dhuwur + 40 ° C, paling murah -25 ° C;

3. Kelembapan relatif: rata-rata saben dina ora luwih saka 95%, rata-rata saben wulan ora luwih saka 90%;

4. Intensitas lindhu: kurang saka 8;

5. Lingkungan instalasi: ora ana geni, bebaya jeblugan, ora ana gas korosif lan ora ana papan getar sing ganas.

6 .. Hubungi hubungi produsen sirkuit sirkuit yen lingkungan panggunaan ngluwihi ing ndhuwur.




FAQ

P: Apa aku bisa duwe rega produk sampeyan?

A: Sugeng rawuh. Mangga bebas ngirim pitakon ing kene. Kita bakal mbales sampeyan sajrone 24 jam.


P: Apa aku bisa entuk conto sadurunge pesenan akeh?

A: Ya, kita welcome conto supaya bisa nyoba lan mriksa conto conto kualitas sing bisa ditampa.


P: Apa kita bisa nyetak logo / perusahaan jeneng ing produk?

A: Ya, mesthi, kita nampa OEM, mula sampeyan kudu menehi wewenang merek kanggo kita


P: Apa sampeyan nampa kustomisasi produk?

A: Ya, mesthi, mangga wenehi gambar utawa paramèter tartamtu, kita bakal menehi kutipan sampeyan sawise evaluasi


P: Apa wektu timbal?

A: Wektu timbal gumantung saka jumlah sing didhawuhi, umume sajrone 7-20 dina sawise nampa pambayaran kasebut.


P: Apa istilah perdagangan sampeyan?

A: Kita nampa exw, fob, cif, fca, lsp.


P: Apa cara pembayaran sampeyan?  

A: Kita nampa T / T, Western Union, PayPal, ora bisa dicritakake l / c ing ngarsane, lsp


P: Apa sampeyan mriksa produk sing wis rampung?

A: Ya, saben langkah produksi lan produk rampung bakal metu kanggo mriksa Departemen QC sadurunge dikirim. Lan kita bakal menehi laporan pemeriksaan barang kanggo referensi sadurunge kiriman


P: Kepiye cara ngrampungake masalah kualitas sawise adol?

A: Njupuk foto masalah kualitas lan dikirim menyang kita kanggo mriksa lan konfirmasi, kita bakal nggawe solusi sing puas sajrone 3 dina.




Pabrik


Sertifikat




Hot Tags: Zn12-12 Series Collown Switih Circuit Vacuum, China, Produsen, Supplier, Pabrik, Dhuwur, Harga Dhuwur, Advances
Kirim Pitakonan
Info kontak
Kanggo pitakon babagan switchgear tegangan rendah, insulator voltase dhuwur, switch earthing tegangan dhuwur utawa dhaptar rega, tinggalake email sampeyan lan kita bakal hubungi sajrone 24 jam.
X
We use cookies to offer you a better browsing experience, analyze site traffic and personalize content. By using this site, you agree to our use of cookies. Privacy Policy
Reject Accept